



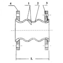
各部分材質Material of each part
|
序號
|
部位Position
|
材料Material Science
|
|
1
|
內、外襯 Inner and outer lining |
天然橡膠(NR)、氯丁橡膠(CR)、丁基橡膠(IIR )、丁晴橡膠(NBR)、 氟橡膠(FKM)、三元乙丙橡膠(EPDM)、聚四氟乙烯(PTFE)
|
|
2
|
主體subject
|
天然橡膠(NR)、氯丁橡膠(CR)、丁基橡膠(IIR)、丁晴橡膠(NBR),氟捌咬(FKM)、三元乙丙橡膠(EPDM)
|
|
3
|
增壓環Pressure ringf
|
多股鑄銅鋼絲Stranded copper wire
|
|
4
|
法蘭lange
|
鍛造、鍛造碳鋼Forged carbon stee(Q235) 不銹鋼Stainless steel(201、304、316, 321) 塑料Plastic(CPVC、PVDF, PPH, UPVC、RPP)
|
主要技術參數Main technical parameters
|
項目 project
型號Model
|
KST一10
|
KST一16
|
KST一25
|
備注Remarks
|
|
工作壓力Mpa
Working pressure Mpa
|
1 .0(10)
|
1 .6(16)
|
2 .5(25)
|
A、如介質油,酸堿物質
B、工作溫度有特殊要求
C、也可來函來圖定制
D、訂貨時需說明
A. such as medium oil, acids and bases B.working temperature has special requirements
C. you can also customize lettet to map D. ordemg to specify
|
|
爆破壓力Mpa
Bursting pressure Mpa
|
2 .0(20)
|
3 .0(30)
|
4 .5(45)
|
|
|
真空度Kpa VacuumKpa
|
53.3(400)
|
86.7(650)
|
100(750)
|
|
|
適用溫度℃
Applicable temperature
|
一20℃一+115℃,特殊可達一30℃一+250℃
一20℃一1 15℃.(for sPeeial eonditions)it ean be一30℃一250℃ |
|||
|
適用介質 Applicable medium
|
空氣、壓縮空氣、水、海水、熱水、油、酸、堿等
Air, compresced air, water, sea water, hot water, oil, acid and alkali etc. |
|||
|
公稱通徑DN
Nominal diameter DN |
長度
Length L
(mm)
|
軸向位移
Axial displacement. |
橫向位移
Horizontal
displacement(mm)
|
偏轉角度
Deflexion
angle
(a1+a2)
|
||
|
mm
|
inch
|
伸長
Extension
|
壓縮
Compression
|
|||
|
4O
|
15
|
165
|
30
|
50
|
45
|
40°
|
|
5O
|
2
|
165
|
30
|
50
|
45
|
40°
|
|
65
|
2 .5
|
175
|
30
|
50
|
45
|
40°
|
|
8O
|
3
|
175
|
30
|
50
|
45
|
40°
|
|
100
|
4
|
225
|
35
|
50
|
40
|
35°
|
|
125
|
5
|
225
|
35
|
50
|
40
|
35°
|
|
150
|
6
|
225
|
35
|
50
|
40
|
35°
|
|
200
|
8
|
325
|
35
|
60
|
35
|
30°
|
|
250
|
1O
|
325
|
35
|
60
|
35
|
30°
|
|
300
|
12
|
325
|
35
|
60
|
35
|
30°
|
|
350
|
14
|
325
|
35
|
60
|
35
|
30°
|
|
400
|
I6
|
340-400
|
35
|
60
|
35
|
30°
|
|
450
|
18
|
340-400
|
35
|
60
|
35
|
30°
|
|
500
|
20
|
340-400
|
35
|
60
|
35
|
30°
|
|
600
|
24
|
340-400
|
35
|
60
|
35
|
30°
|
注:1、特殊要求可按用戶圖紙制作。法蘭標準采用GB/T9115.1一2000.可選配(GB, JB, HG, CB, ANSI, DIN, BSEN, NF, EN, JIS,
2、用戶使用橡膠接頭.對應法蘭應是閥門法蘭或符合GB廠9115.1 (RF)法蘭。
